
操作步驟
1、清潔:首先,用移液器滴加去離子水2 -3μl到Micro Drop下部樣品基座,關閉上臂,確保上層基座與去離子水接觸。停留30秒,用實驗室潔凈無絨紙將上樣檢測系統的上部和下部的光學表面擦拭干凈。

2、打開Micro Drop軟件,并選擇核酸應用程序。用移液器滴加1μl緩沖液(溶解待測樣品的液體)至樣品基座光學表面,選擇“空白檢測”以執行空白測量。一旦空白測量完成后,用實驗室潔凈無絨紙將上樣檢測系統的上部和下部的光學表面擦拭干凈。
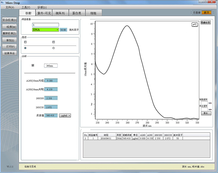
3、輸入樣品編號,選擇檢測的樣品類型(默認的設定為DNA,消光因子為50)。用移液器滴加樣品0.5-2μl到Micro Drop下部樣品基座,關閉上臂,選擇“檢測”,軟件會自動計算出的核酸濃度和純度比例,3-5秒內,即可顯示實驗結果及光譜圖。

每個樣品測量完成后,用實驗室潔凈無絨紙將上樣檢測系統的上部和下部的光學表面擦拭干凈,即可進行下一個樣本的檢測。(建議連續使用Micro Drop約30min后再次進行一次空白檢測)。所有檢測結束后,重復步驟1,清潔樣品檢測臺。
想了解更多超微量分光光度計的操作注意事項及影響因素,請繼續關注小寶下期精彩推送!
